Enthüllung des minenmanmich: lösungen für die minengefahr und technische anleitung
"Does installing a lightning rod mean the equipment won't be struck by lightning? Can one rest easy after using lightning protection components? Is lightning protection only necessary on stormy days?" Are these ideas really correct? Today, the EMC expert from Leimao will answer these questions one by one for everyone.
Misconception 1: "If a lightning rod is installed, the equipment won't be struck by lightning?"
Many people think that as long as a lightning rod is installed, the equipment will be absolutely safe. However, this is actually a very big misconception.
A certain ancient building unit in Dongcheng District of Beijing installed lightning protection strips, but the fire control cabinets and power distribution cabinets still got damaged after the lightning strike. In a village in Huairou District, the lightning protection device was normal, but the villagers' televisions and computers were almost completely destroyed. The "culprit" behind this is the overlooked lightning electromagnetic pulse (EMP).
"Just like the ripples produced by throwing a stone into water, the electromagnetic pulse from lightning will spread along wires and signal lines. Even if the lightning strikes dozens of meters away, the 'electromagnetic ripples' can still damage the equipment." And this 'electromagnetic ripples' is called induced lightning. External lightning protection devices such as lightning rods can only guide direct lightning to the ground, but they cannot prevent the 90% of damage caused by induced lightning - its energy will "follow the path" through the lines and directly strike the core components of the equipment.
Lebao Electronics' solution emphasizes "full-chain protection": externally, lightning protection devices and independent grounding are used to deal with direct strikes; internally, surge protectors (SPD) need to be installed on the lines, and lightning protection devices need to be designed according to specific scenarios at the equipment end.

Misconception 2: "By using lightning protection components, can we rest assured?"
Many people think that installing lightning protection devices is enough to ensure everything is fine, but they fail to realize that "incorrect usage" is more dangerous than "not using" at all. Liangbo EMC reminds us that "problems such as incorrect selection, improper installation, and lack of maintenance can also cause the lightning protection plan to fail."
Typical error scenario:
Protection chain breakage: If the SPD (Surge Protective Device) at a Beijing heritage building unit is not properly connected, or if the grounding wire of a certain factory's PLC cabinet becomes loose, it will result in the failure of lightning protection. The failure rate of the latter module is even 20% higher than that of the uninstalled equipment.
Mismatch between selection and application scenario: In critical equipment such as fire control cabinets, civilian-grade lightning arresters (with current capacity ≤ 5kA) were used, which are unable to withstand instantaneous currents of 10kA or above from induced lightning; while industrial-grade large-capacity lightning arresters for home routers would increase network latency due to excessive capacitance.
Ignoring line coupling: The power lines and signal lines are laid in parallel without maintaining a safe distance (in civil building scenarios, according to the GB50343 standard, it should be ≥ 30cm). Lightning electromagnetic pulses can be transmitted through the "capacitive coupling" between the lines. Even if a lightning arrester is installed at the power end, the signal line will still be broken.
Leiditech EMCColleague suggests that the lightning protection facilities should be checked in three aspects: ① Check the compatibility between the lightning arrester and the equipment interface; ② Check the conductivity of the connection lines (use a milliohm meter to measure the contact resistance, ensuring it is ≤ 50 mΩ); ③ Check the layout of the lines, and block the loopholes at the source.

Misconception 3: "Are only outdoor devices subject to lightning protection?"
The lightning protection pressure for indoor equipment is far beyond what one might expect. Among the four lightning strike incidents reported in Beijing this year, all the damages were to indoor electronic equipment - the lightning electromagnetic pulse can penetrate walls and invade through power lines, signal lines, and even metal pipes. Even a lightning strike 30 kilometers away can have an impact.
The following are the "indoor no-go zones" that you must be vigilant about:
Fire protection and industrial control equipment: The previous case of the ancient building unit has proved that if the indoor equipment lacks surge protection, even with lightning protection strips, it will be damaged by induced lightning. It is recommended to install a lightning arrester with a capacity of 10kA at the 220V power supply end (meeting the IEC61000-4-5 tests for different levels of 4KV to 8KV). For the signal ends of the bus network or broadband network, adopt a lightning arrester protection scheme (GDT + ESD combined lightning protection scheme, with a capacitor of ≤ 1pF) to ensure signal transmission.
Home appliance cluster: Televisions, computers, and routers are the hardest-hit areas. A maintenance report indicates that 70% of television damages during thunderstorms are caused by old TV equipment lacking built-in devices to prevent lightning surges, and failing to unplug the power cord/signal cable. The connection is like an 'antenna' for receiving electromagnetic pulses, resulting in induction lightning damage. Lei Bu suggests that important household appliances should use sockets with integrated lightning protection devices (such as the Lei Bu 220V lightning protection solution).
Smart devices: Wi-Fi modules of connected refrigerators and floor cleaning robots have weak anti-interference capabilities. Electromagnetic pulses may cause program disorder. A lightning protection scheme of 220V surge protection is built in the power adapter to avoid loss caused by lightning surges.
Leiditech Electronic Lightning Protection Solution:
48V DC power supply lightning protection: The lightning protection device adopts a two-level protection strategy of GDT + MOV + TVS, meeting IEC 61000-4-5 6KV surge, and IEC 61000-4-2 level 4 (contact 8KV, air 15KV).
220V AC power surge protection: The lightning arrester uses GDT + MOV components to provide surge protection for the 220V AC power interface. Different levels of protection components are selected based on the environment where the power supply is located, which can meet the IEC61000-4-5 4KV~8KV test requirements.
24V DC Voltage Lightning Protection Low Residual Voltage Solution: Lebao Electronics' LM1K24CA small-sized SMB package can protect against DC 24V with a low residual voltage of 2KV, VC = 35V. This can reduce the cost of the withstand voltage of LDO or DC-DC.
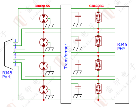
Gigabit Network Lightning Protection Solution: This solution is used for surge protection of 1000M network ports outdoors. Lightning protection adopts a two-level protection system, ensuring reliable operation and maintaining signal integrity under high temperatures. It complies with IEC61000-4-2, level 4, with contact discharge of 30kV and air discharge of 30kV. IEC61000-4-5 10/700μs, 40Ω, 6kV, ±5 times. This solution ensures no packet loss during high-temperature transmission.
POE Outdoor Lightning Protection 6KV Protection Solution: This solution provides surge protection for POE network ports in outdoor environments. The lightning protection adopts a two-level defense mechanism, ensuring reliable operation and maintaining signal integrity under high temperatures. It complies with IEC 61000-4-2, level 4, with contact discharge of 30kV and air discharge of 30kV. IEC 61000-4-5, 10/700μs, 40Ω, 6kV, ±5 times. This solution ensures no packet loss during high-temperature transmission.
CAN interface electrostatic surge protection solution: Lebao adopts TSS with low residual voltage, effectively protecting the interface. The response time of TSS is at the ns level, which can prevent both surges and static electricity, and ensure signal integrity. It complies with IEC 61000-4-2, with electrostatic level 4, contact discharge 8kV, and air discharge 15kV; IEC 61000-4-5 surge 10/700μs, 8kV; IEC 61000-4-5 surge 8/20μS, 2kV.
RS485/RS422 Interface Electrostatic Surge Protection Solution: Lebao adopts TSS with low residual voltage, effectively protecting RS422 and RS485 chips. The response time of TSS is at the ns level, which can prevent both surges and static electricity, and ensure signal integrity. It complies with IEC61000-4-2, with static level 4, contact discharge 15kV, air discharge 8kV; IEC61000-4-5 surge 10/700μs, 6KV. If higher-level surges are required, P0080SD can be replaced.

Leiditech Electronics is committed to becoming a leading brand in electromagnetic compatibility solutions and component supply, offering products such as ESD, TVS, TSS, GDT, MOV, MOSFET, Zener, inductors, etc. Leiditech has an experienced R&D team that can provide personalized customization services based on customer needs, offering the best solutions to customers.
Hinterlasse eine Antwort
- Circuit Protection Primer: The Art of Shielding from ESD to Surge
- Load Dump Protection for Automotive Electronics: The "Core Bulletproof Vest" for Electronic Systems
- Regarding the domestic substitution of PESD5VOHS-SF and ESD7501MUT5G with ULCO521CLV
- Component-Level ESD vs. System-Level ESD — A Must-Know for Hardware Engineers
