Wegen des elektroschock-modul für die minenabwehr

Taking the built-in POE power supply module of Hikvision cameras (hereinafter referred to as "Hikvision POE module") as the research object, Lei Miao, an EMC expert, conducted an in-depth analysis of the existing protection basis in combination with the module disassembly diagram. He proposed a targeted electrostatic surge protection solution suitable for long-distance scenarios, focusing on the core pain points of outdoor security monitoring and industrial remote monitoring scenarios, to ensure the stable and reliable dual functions of "power supply + data transmission" of the POE module.。
一、 Long-distance POE Application Scenarios: Risks and Protection Standards
In long-distance POE applications along outdoor roads, around the perimeters of parks and industrial factories, in workshop areas of industrial plants, and in underground mines, the network cables are vulnerable to three threats: Firstly, the electromagnetic induction caused by lightning strikes during thunderstorms, with the surge energy being transmitted along the cables in a cumulative manner; Secondly, the transient interference generated by the start and stop of industrial equipment, resulting in high-frequency voltage spikes; Thirdly, the distributed capacitance and inductance of the over 100-meter-long network cables further amplify the impact. These threats can cause minor issues such as power supply interruption and data packet loss for the POE module, or more severe problems like damaging the DC-DC converter and PHY chip, ultimately causing damage to the rear-end cameras.
Based on this, Shanghai Le Maubu clearly states that the protection measures must meet two international standards:
· IEC61000-4-2 (Electrostatic Discharge Immunity): For Class 4 requirements, both input port contact discharge and air discharge should reach 30kV, while output port contact discharge should be 8kV and air discharge 15kV;
· IEC61000-4-5 (Surge Immunity): Resists 10/700μs, 40Ω, 6kV, ±5 surge impacts, suitable for energy superposition characteristics in long-distance scenarios; The standard impedance for the 1.2/50μs waveform (applicable to 100-300 meters scenarios) is 2Ω (power port) or 12Ω (communication port), ±6kV, ±5 times.
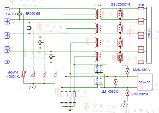
二、 Hikvision POE Module Interface Grade Protection Scheme (Lai Mao Optimization)
By disassembling the Hikvision POE module, it can be seen that its core protection focuses on the two major ports - input and output. The Lebao EMC guy further strengthened the "graded interception" logic based on this, integrating Lebao's self-developed protection devices and strategies:
(1) Input Port: Level 3 Protection and Interception Front-End Surge Filter
The input port is the primary path for surge intrusion. A three-level strategy of "release - clamping - precise protection" is adopted. The core components and deployment requirements are as follows:
Level 1: High current discharge (at the front end of the transformer)
Lei Ba uses a GDT (Gas Discharge Tube 3R090-5S) in series with a MOV (Voltage Sensitive Resistor 14D821KJ) to quickly discharge large energy surges caused by lightning strikes (such as 6kV surges can discharge over 60% of the energy).
Deployment Note: For outdoor scenarios, ensure that the grounding terminal of the GDT is within a path of ≤ 5cm from the equipment's grounding electrode to reduce leakage losses.
Level 2: Common Mode / Differential Mode Clamping (at the tap of the transformer)
Combined with the MB6S rectifier bridge to achieve polarity conversion for POE power supply, and connect 3 TVS diodes (LM1K58CC, SMBJ58CA×2 selected for lightning arrestors), respectively clamping overvoltage for common mode and differential mode surges; at the same time, integrate the Bob Smith terminal circuit, taking into account both surge protection and differential signal integrity of the Ethernet, reducing signal reflection loss.
Level 3: Back-end Precise Protection (Transformer Back-end)
Four LGC03C transient suppression diodes are used to precisely clamp the 3.3V voltage for low-voltage devices such as PHY chips. The response time is less than 1ns, which compensates for the deficiencies of the previous levels of protection and prevents low-voltage circuits from being damaged and data loss.

(2) Output Port: Stabilizing Load and Peak Absorption
The output port is directly connected to the 12V camera. The "reverse water ingress prevention + peak suppression" capability has been significantly optimized by Lei Ma EMC.
· The Lebao model is equipped with SS210LA Schottky diodes (100V/2A) for anti-backflow protection, ensuring the correct output direction of 12V, reducing power loss over long distances, and avoiding the risk of circuit backflow during the construction phase.
The parallel SMBJ15CA type TVS diode can effectively clamp the voltage spikes caused by load fluctuations (such as the on-off moment of the infrared lamp in the camera), protecting the downstream equipment.

三、 Surge waveform adaptation and key requirements for PCB layout
(一)Surge waveform matches the scene
Leiiditech, the EMC guy, pointed out that in long-distance POE scenarios, the corresponding surge test waveform needs to be selected based on the length of the network cable to avoid incorrect protection:
· 10/700μs waveform: Suitable for outdoor symmetrical lines over 300 meters, simulating the叠加 surge energy caused by lightning strikes in long-distance transmission;
· 1.2/50μs waveform: Suitable for outdoor lines up to 100-300 meters or industrial internal lines. It is the mainstream test waveform for most POE devices.
(2) PCB Layout: Leave sufficient safety margins to avoid failure of protection measures
The layout of the PCB directly affects the effectiveness of surge discharge and isolation. Therefore, the following requirements must be strictly followed:
Spacing requirements: The spacing between the outer copper traces should be ≥ 6mm, and that between the inner traces should be ≥ 3mm; the vertical inter-layer offset should be 1mm, and a 3kV isolation margin should be retained to prevent inter-layer breakdown.
2. Copper Foil and Trace: Lei Mao recommends using 1oz copper foil. The width of the trace should be ≥ 0.3mm (trace lines narrower than 0.13mm are prone to melting in the GR-1089-CORE test); the grounding trace for GDT/MOV should be ≥ 2mm to reduce the discharge impedance;
3. Grounding and Shielding: The shielding layer of the STP cable should be grounded at both ends (with a grounding resistance of ≤ 4Ω); for GDT/MOV, use an independent grounding wire (with a wire diameter of ≥ 1.5mm²) to avoid surge interference caused by multiple devices sharing the same grounding.
Leiditech, a leading brand in electromagnetic compatibility solutions and component supply, offers products such as ESD (e.g. GBLC03C), TVS, TSS, GDT (e.g. 3R090-5S), MOV, MOSFET, Zener, and inductors. Leiditech has an experienced R&D team that can provide customized protection solutions for different application scenarios (outdoor/indoor, PoE/non-PoE), ensuring the security of gigabit equipment interfaces.
Hinterlasse eine Antwort
- Circuit Protection Primer: The Art of Shielding from ESD to Surge
- Load Dump Protection for Automotive Electronics: The "Core Bulletproof Vest" for Electronic Systems
- Regarding the domestic substitution of PESD5VOHS-SF and ESD7501MUT5G with ULCO521CLV
- Component-Level ESD vs. System-Level ESD — A Must-Know for Hardware Engineers
