Schutz vor industriellen netzen: "elektrowellen wellen" -design im vertrag
一、Classification of Commonly Used Network Interface Protocols in Industry
In industrial scenarios, network port protocols need to take into account the three core requirements of "communication stability", "synchronization accuracy", and "anti-interference capability". Due to differences in design goals, different protocols have essential distinctions in the selection of protection schemes. The mainstream classifications are as follows:
· Real-time control protocols: Represented by EtherCAT and Profinet IRT, their core advantage lies in the synchronization accuracy ranging from nanoseconds to microseconds, supporting the cascading of thousands of slave stations, and suitable for scenarios requiring precise coordination such as automotive production lines and photovoltaic inverter clusters; protection should particularly focus on "low parasitic capacitance" and "no additional delay", to avoid disrupting the synchronization logic.。
· General Industrial Ethernet Protocol: Represented by Modbus TCP and Ethernet/IP, it is an improvement based on the traditional TCP/IP architecture, with strong compatibility but relatively weak real-time performance (delay of milliseconds). It is suitable for scenarios such as building automation and general machine tool monitoring; the protection focuses on "low cost" and "easy integration", with relatively relaxed requirements for capacitance and delay. Shanghai Lebao Electronics has also launched a cost-effective protection device combination for such scenarios.
High-speed transmission protocols: Represented by Glink (with both high-speed and general types), they focus on high-speed transmission of large data volumes (such as industrial camera images, wind power equipment status monitoring data); High-speed types need to take into account both "low latency" and "high bandwidth", while general types can prioritize balancing cost and basic protection.
In industrial distributed control scenarios, the EtherCAT protocol has become the core communication protocol for automotive production lines, photovoltaic equipment, and wind turbine pitch systems due to its support for 65,535 slave stations and nanosecond-level synchronization accuracy. In such scenarios, disturbances such as motor start-stop surges, dust static electricity, and outdoor lightning strike induction often cause EtherCAT slave stations to disconnect and frame sliding delays to exceed standards - the root cause lies in the lack of a protective solution that matches the 100Base-TX differential signal characteristics and topology requirements of EtherCAT. This article combines the Lei Mou EMC technical solution to dissect the exclusive protective logic of the EtherCAT protocol.
二、The core constraints of EtherCAT protection: Standards and Protocols
The EtherCAT interface must simultaneously meet the industrial EMC mandatory standards and the requirements of the protocol itself. Together, these two factors determine the selection of protective devices.
1. Electrostatic surge protection mandatory standards
Electrostatic Discharge (ESD): Must comply with the IEC 61000-4-2 standard and reach Criterion A level (no communication interruption, no performance degradation). The specific indicators are contact discharge of 8kV and air discharge of 15kV.
Surge: IEC 61000-4-5 specifies ±4kV at the power port (line - ground), ±2kV at the signal port (line - line), and the interference waveform is 8/20μs (the most common inductive load start-stop surge waveform in industrial scenarios);
2. Protocol characteristics restrictions
Sensitive to parasitic capacitance: For 100Base-TX differential signals (TX+ / TX-), the critical value of the single parasitic capacitance of the protection device is 5pF. Exceeding the capacitance value will cause the frame sliding processing delay to exceed 500ns, directly damaging the synchronization accuracy of the slave station.
Topology compatibility: The self-healing time of the EtherCAT redundant ring network should be less than 50ms, and the response time of protective circuits (such as GDT and TVS) should not introduce additional delays (it should be less than 1μs).
PHY chip tolerance: Most EtherCAT PHY chips (such as TI DP83848) have a withstand voltage of ≤ 18V. The clamping voltage of the protective device must be strictly controlled within this threshold to prevent the chip from being damaged by overvoltage.
三、EtherCAT Scenarios-based Protection Scheme: From Ordinary to Strong Interference Environments
1. Scene 1: Ordinary industrial environment
Interference characteristics: Dust static electricity accumulation (±5kV), small motor start-stop interference (<±1kV), no direct lightning strike risk;
Core requirement: Achieve signal fidelity and cost balance without excessive protection.
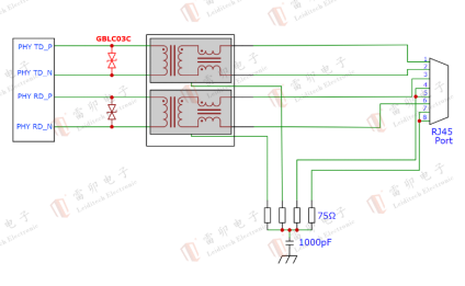
Leiditech Adaptation Plan:
① Signal port protection: The lightning protection adopts a two-level protection design to ensure the integrity of the 100M network port signal and its reliable operation in high-temperature environments. It complies with the IEC 61000-4-2 Class 4 standard (contact discharge 8kV, air discharge 15kV)。
② Power supply protection: Parallel SMDJ26CA TVS diodes (clamping voltage 42V, compatible with 24V industrial power supply, reserved power fluctuation margin. If using 40V DCDC, the Lebao 3LM26CA or 3LM33CA type of return-scanning TVS diodes with lower clamping voltage can be adopted). Block the surge current from entering the power supply side.
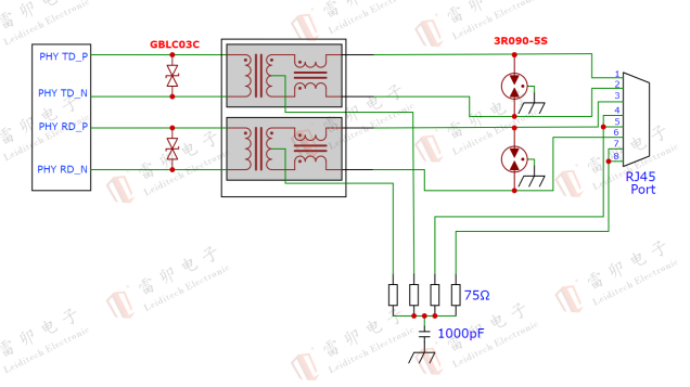
2. Scene 2: High-interference environment (automobile welding line, motor cluster)
Interference characteristics: Large power motor start-stop surge (±3kV), vehicle body static electricity (±12kV), with significant common-mode interference coupling.
Core requirement: Simultaneous consideration of high current discharge and signal fidelity.
Lei Mou Grade Protection Plan:

① Level 1: Surge Discharge: The RJ45 port is connected in series with a lightning arrester 3R090-5S GDT (gas discharge tube), with a breakdown voltage of 90V, which can discharge 90% of the surge current and prevent large amounts of energy from directly impacting the PHY chip.
② Level 2: Electrostatic clamping + residual voltage control: Post-mounted GBLC03C. The residual voltage is strictly controlled within the safety threshold, while ensuring no distortion of the differential signal.
The core of EtherCAT protection lies in "balancing EMC compliance and signal synchronization accuracy" - it needs to meet the IEC 61000-4 series standards through graded protection (GDT discharge + TVS clamp), while also strictly controlling the parasitic capacitance (≤ 5pF per unit) and delay (< 1μs) of the protection devices to avoid disrupting the nanosecond-level synchronization logic of the protocol; The solution provided by Shanghai Lebao Electronics has been verified by multiple industrial equipment manufacturers and can be directly applied.
In the field of industrial communication, the protection logic for different protocols needs to closely align with their core characteristics - apart from EtherCAT, another core protocol, Glink, is divided into two major types: high-speed and general-purpose. The protection requirements for these two types are significantly different (the high-speed type focuses on "low latency while maintaining synchronization accuracy", while the general-purpose type focuses on "low cost and compatibility"). In the next article, Lei Ma, the EMC guy, will focus on the scenario-based protection solutions for these two types of Glink protocols, further dissecting the core logic of "protocol characteristics determine protection selection".
Leiditech Electronics is committed to becoming a leading brand in electromagnetic compatibility solutions and component supply, offering products such as ESD, TVS, TSS, GDT, MOV, MOSFET, Zener, inductors, etc. Leiditech has its own free laboratory and has an experienced R&D team, which can provide personalized customization services according to customer needs and offer the best solutions for customers.
Hinterlasse eine Antwort
- Circuit Protection Primer: The Art of Shielding from ESD to Surge
- Load Dump Protection for Automotive Electronics: The "Core Bulletproof Vest" for Electronic Systems
- Regarding the domestic substitution of PESD5VOHS-SF and ESD7501MUT5G with ULCO521CLV
- Component-Level ESD vs. System-Level ESD — A Must-Know for Hardware Engineers
