Elektrostatischer Überspannungstest für Server mit serieller Schnittstelle
Testprodukte: serieller Geräteserver;
Temperatur und Luftfeuchtigkeit des Labors Leiditech: 26 Grad, 61%;
Ziel: Es sollte getestet werden, ob die serielle Schnittstelle plus Leiditech SMD1206P010TF, SMD4532-090, SM712 und SMAJ36CA die elektrostatische Überspannung IEC61000-4-2 Standard und IEC61000-4-5 Standard erfüllen.
Eins. Die Testkundenprodukte und Anforderungsindikatoren lauten wie folgt:
|
Elektrostatische Prüfung |
IEC61000-4-2 Prüfnorm |
|
Luftaustritt |
±15KV |
|
Kontaktabgabe |
±8KV |
|
RS485 Überspannungstest 8/20μs |
IEC61000-4-5 Prüfnorm |
|
Differenzieller Modus |
±6KV |
|
Gleichtakt |
±6KV |
Zweitens, das Schutzschema der Blitzschaltung:
(1) 100M Netzwerkanschluss Blitzschutzsystem
|
Modell |
Marke |
Menge |
|
LC05CI |
LEIDITECH |
2 pcs |
|
SMD4532-090NF |
LEIDITECH |
2 pcs |
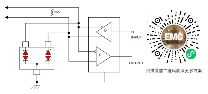
(2) RS232 ESD-Schutzsystem
|
Modell |
Marke |
Menge |
|
SMC24 |
LEIDITECH |
1 pcs |
(3) RS485 Überspannungsschutz-Schema
|
Modell |
Marke |
Menge |
|
SMD1206P010TF |
LEIDITECH |
2 pcs |
|
SMD4532-090 |
LEIDITECH |
2 pcs |
|
SM712 |
LEIDITECH |
1 pcs |
(4) DC24V Überspannungsschutzsystem
|
Modell |
Marke |
Menge |
|
SMAJ36CA |
LEIDITECH |
1 pcs |
Drittens, Testen Sie drahtlose Bildübertragung Übertragung Modul Fotos und Datensätze:
|
IEC61000-4-2 Elektrostatischer Test |
Luftaustrag ±15KV |
Kontaktentladung ±8KV |
|
Produktleistung |
normal |
normal |
|
IEC61000-4-5 Überspannungsprüfung RS485 Schnittstelle |
Gleichtaktmodus ±3KV |
Gleichtaktmodus ±4KV |
Gleichtaktmodus ±5KV |
Gleichtaktmodus ±6KV |
|
Produktleistung
|
normal
|
normal
|
normal
|
normal
|
| IEC61000-4-5 Überspannungsprüfung RS485 Schnittstelle |
Differentialmodus ±3KV |
Differentialmodus ±4KV |
Differentialmodus ±5KV |
Differentialmodus ±6KV |
|
Produktleistung
|
normal
|
normal
|
normal
|
normal
|
In Verbindung mit dem Baustein PESD0542U005 kann er den elektrostatischen Standard IEC61000-4-2 und den Gruppenimpuls IEC61000-4-4 erfüllen.
Zusammenfassung:
Der Schnittstellenschutz von elektronischen Produkten erfordert die Verwendung von Überspannungsschutzgeräten, viele Ingenieure erkennen, dass sie Schutzvorrichtungen verwenden müssen, aber aufgrund unsachgemäßer Auswahl oder nicht in Übereinstimmung mit ESD-Schaltungsleiterplatten-Designprinzipien, was zu elektrostatischen Produkttests oder EMV-Testversagen, Produktmehrfachverifizierungstests, Verschwendung von menschlichen und finanziellen Ressourcen, was zu Produktverzögerungen bei der Auflistung von Dingen führt, oder Überkonstruktion, was zu Kostendruck führt.
Leiditech Electronics ist darauf spezialisiert, Kunden mit elektromagnetischer Verträglichkeit EMV-Design-Services anzubieten, Labore für gründliche Tests bereitzustellen, von Kunden effizient, bequem, das Design abzuschließen, hoffen, dass mehr Kunden EMV-Projekte schnell bestehen können, und die Produktzuverlässigkeit so weit wie möglich verbessern.
Leiditech Electronics Electromagnetic Compatibility Laboratory, kostenlose Tests, bieten periphere elektrostatische Schutzreferenzschaltungen. Leiditech Testgeräte für Kunden kostenlosen Test, willkommen Hu Gong 18016225001 jederzeit zu kontaktieren.
Hinterlasse eine Antwort
- Circuit Protection Primer: The Art of Shielding from ESD to Surge
- Load Dump Protection for Automotive Electronics: The "Core Bulletproof Vest" for Electronic Systems
- Regarding the domestic substitution of PESD5VOHS-SF and ESD7501MUT5G with ULCO521CLV
- Component-Level ESD vs. System-Level ESD — A Must-Know for Hardware Engineers




