Die lösung für den schutz bei elektrowellen mit polyspektrometer-sensoren wird Robot gezeigt
一、Overview of Multispectral Sensors
Multispectral sensors use spectral separation technology to divide light into narrow bands. These bands are then converted into electrical signals by detectors, and after processing, the target multispectral features are extracted. The characteristics of substances are identified through the differences in reflection/radiation among different spectral bands. Composed of optical (imaging, spectral components), control and display sections (signal processing, image presentation), it features multi-band detection, high spectral resolution, and non-contact measurement. It is applied in fields such as agriculture, environment, medicine, industry, remote sensing, security, etc.
二、Principle of Implementation and Application of Technology
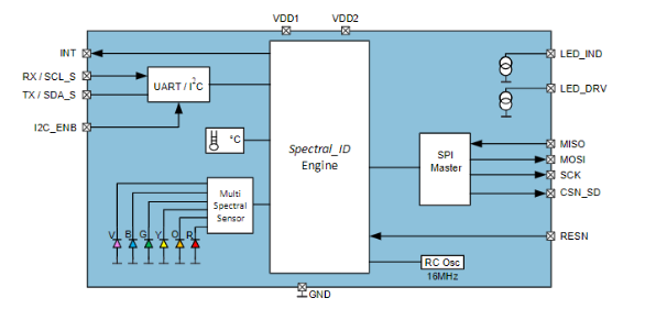
1、Leiditech EMCPerson drew the working principle diagram of the multispectral sensor as follows.
2、The wide application of multispectral technology
|
应用领域 |
核心技术(光谱通道 / 波长) |
典型案例及主要成效 |
|
农业 |
8 通道 VIS(400-700nm)+ 1 通道 NIR(750nm,测叶绿素) |
富士苹果智能采收(山东烟台试点):采收时机判定误差 ≤ 1 天,过熟损耗降低 32% |
|
农业 |
7+1 通道(红边 730nm、近红外 900nm) |
大疆农业无人机 T60 麦田管理:单架次覆盖 15 公顷,氮肥用量减少 15% |
|
医疗 |
可见光(400-700nm)+ 红外 850nm |
飞利浦新生儿重症监护仪:心率误差 ≤ 3 次 / 分,呼吸暂停预警响应 < 3 秒 |
|
医疗 |
400-1000nm(500nm 黑素、570nm 血红蛋白) |
佳能医疗皮肤成像系统:早期黑色素瘤识别准确率 88%,较目视检查提升 25% |
|
环境监测 |
5 通道(蓝 450nm / 绿 550nm / 红 650nm / 红边 730nm / 近红外 840nm) |
中科院南京地理所 水体监测:提前 72 小时 预警蓝藻水华,应急成本降低 55% |
|
环境监测 |
热红外 8-14μm + 短波红外 1.5-1.8μm |
华为 & 森林消防 火情预警:早期火情平均发现时间缩短至 12 分钟,年度有效预警 12 起(某省试点) |
|
工业检测 |
UV254nm + 可见光 + IR1310nm(适配 3nm 制程) |
台积电 3nm 产线(ASML 设备集成):0.1μm 级 缺陷检出率 99.5%,检测效率提升 35% |
|
工业检测 |
线阵 CCD(450-1000nm) |
宁德时代锂电池极片检测:良品率从 95% 升至 98%,单 GWh 成本节省 100 万元 |
|
安防 |
红外 10μm + 可见光 |
海康威视变电站热缺陷系统:故障预警提前率 90%,年度停电事故减少 65% |
|
消费电子 |
3200 万像素紫外多光谱(365nm 为主波段) |
华为 Mate 70 Pro+:支持荧光装饰拍摄、文物防伪标记识别,拓展 “荧光涂鸦” 创意拍摄玩法 |
|
消费电子 |
绿光 525nm + 红光 660nm + 红外 940nm(PPG 技术) |
华为 Watch GT5:-20℃环境下 心率数据准确率 96%,光电容积脉搏波(PPG)精度提升 22% |
三、Leiditech Guide on Electrostatic Surge Protection for Multispectral Sensor Circuits
1:Testing certification standards
· Surge immunity: According to IEC 61000-4-5, at the input 24V power port, line-to-line ±2kV, line-to-ground ±4kV, tested with a 10/700μs waveform.
· Electrostatic Discharge (ESD): Complies with IEC 61000-4-2, with contact discharge of ±8kV and air discharge of ±15kV; Medical equipment must achieve contact discharge of ±6kV and air discharge of ±8kV, and must pass YY 0505 certification.。
2:Core interface protection
As shown in the figure, the interface of the multispectral sensor chip mainly includes the power input port VCC, the signal interface I2C/UART, and the external interface (USB/Ethernet)。
l Input power protection
The 24V industrial power supply needs to take into account both surge and overcurrent protection:
Surge protection: It is recommended to use TVS diode LM1K24CA (SMB package, VC = 35V, low breakdown voltage), with a protection level of up to 2KV;
Overcurrent protection: SMD1812 series PTC (6-60V, 0.1-3.5A), with fast response time and reusable feature;
Reverse polarity protection: Schottky diode SK56C (60V/5A), reduces the risk of damage when the power supply is connected in reverse.
Or you can use the conventional solution: the pre-stage uses GDT 2R090-5S + MOV, and the post-stage uses TVS for further fine clamping.
Signal interface protection
UART interface: Lebao adopts a single-chip protection design to save space and ensure signal integrity. ULC3304P10, ULC0524P are used, meeting IEC61000-4-2, level 4, contact discharge 30kV, air discharge 30kV.

l Power rail electrostatic protection
For the simulation power supply (3.3V), Lebao uses ESD0321CW (DFN0603 package, 30pF capacitor, 21A discharge current);
For the digital power supply (1.8V), the lightning protection component ESD1821C (DFN0603, 25pF, 18A) is adopted to reduce power supply ripple and electrostatic interference.
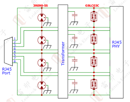
Gigabit Network Lightning Strike and Surge Protection Solution
For the 1000M network port surge protection used outdoors, a two-level protection method is adopted. The front stage of the transformer uses GDT 3R090-5S to release the current, and the rear stage uses ESD GBLC03C for precise clamping, with the junction capacitance being less than 0.6pF. This ensures the integrity of the signal under high temperatures and meets IEC61000-4-2, level 4, contact discharge of 30kV, air discharge of 30kV. IEC61000-4-5 10/700μs, 40Ω, 6kV, ±5 times. This solution ensures no packet loss during high-temperature transmission.

Leiditech is committed to becoming a leading brand in electromagnetic compatibility solutions and component supply, offering products such as ESD, TVS, TSS, GDT, MOV, MOSFET, Zener, inductors, etc. Leiditech has an experienced R&D team that can provide personalized customization services based on customer needs, offering the best solutions to customers.
Hinterlasse eine Antwort
- Circuit Protection Primer: The Art of Shielding from ESD to Surge
- Load Dump Protection for Automotive Electronics: The "Core Bulletproof Vest" for Electronic Systems
- Regarding the domestic substitution of PESD5VOHS-SF and ESD7501MUT5G with ULCO521CLV
- Component-Level ESD vs. System-Level ESD — A Must-Know for Hardware Engineers
