Jess japan - vorsicht: 3 stufen gegen den kollaps

Geräte, die Von einem blitz getroffen, an andere geräte angeschlossen sind, beispielsweise bei blitzabschüssen, statik sowie elektroschocks, können Von einem netz zerstört werden. Die ESD (elektrische entladung einschließlich kabelentferner) spielt eine sehr hohe frequenz und hat direkte auswirkungen auf die kernelemente, die besondere aufmerksamkeit in der schutzgestaltung erfordern. In diesem beitrag bieten emc-experten für kernbedrohungen et.-net--schnittstellen eine dreistöckige lösung, die chiemes hilft, zuverlässige wellen - und stromstöße zu schützen.
一、 Und israelischen online-schnittstellen eine dreidimensionale bedrohung dar
Etl-schnittstelle ist anfällig für elektromagnetische interferenzen bei der arbeit. Die verschiedenen störungsmuster und -formen unterscheiden sich, und es bedarf gezielter defensivmaßnahmen.:
1.ESD: elektrische entladung, einschließlich des zeitzerschubs
Kontext: die bewegung Von alltäglichen geräten, menschliches engagement, die entwarnung der freien natur und die male, die die stelle der elektrizität besetzen, sowie die male, wo die kleinen neuigkeiten verbunden werden, sind nur ein typisches beispiel dafür, wie die kleinen worte Von stringentem, tödlichem strom zu erfassen sind.
Gefährlichwirkung: der druck kann bis zu dutzenden ampere reichen und der 47-jährige direkt auf die einlaufgrade setzen. Der 47-jährige könnte der erste faktor sein, der die verstellt. Diese interferenzen können durch eine vielzahl Von faktoren verursacht werden, wie den einsatz Von gerät und veränderten bedingungen, die wesentlich häufiger auftreten als andere störungen.
Sicherheitsstandard: nach dem IEC 64-4-2 standard müssen einrichtungen im freien und im industriellen bereich die sicherheitsstufe 4 erfüllen (für eine wand 15kk bei einer wand 8 wand), um rauschen zu begegnen.
2. Nimm alles!
· Auslöser: spannung kann mehrere volt erreichen, hauptsächlich durch einen blitzschlag Oder eine betriebsstörung. Die energie ist hoch, aber die wahrscheinlichkeit dafür ist relativ gering.
Schutznormen: entsprechend dem IEC 61.000-4.5-standardmaßstab sollen "einrichtungen im freien" stromwellen Von 4w (1,2 /50 mus) und 2kA (8/20 mus) ausgesetzt werden, um den zusammenbruch der starken energie - schaltkreise zu verhindern.
3. Denare elektrische impulse
Auslöser: wenn geräte angeschlossen Oder getrennt werden... Die frequenz beträgt 5kHz bis 100kHz. Die größte auswirkung auf die stabilität der signalübertragung ist die relativ geringe wahrscheinlichkeit eines direkten schadens am gerät.
Sicherheitsstandard: nach dem IEC 64-4 - standard müssen externe geräte der stufe 4 gesichert werden, damit die signalübertragungen gegen hochfrequenz-impulse nicht blockiert werden.
Die kernlösung: die dreistöckigen synergien
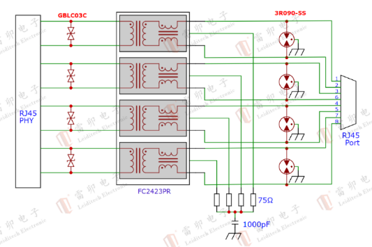
Ein YiTaiWang die sollten in transformator (den IEEE 802,3, in NaiYa 1500 VRMS, integrierte mit genau ELiuJuan) und ein Bob Smith DuanZi (75 Ω widerstand + 1000pF die DianRong, verringern mit genau strahlung),Dann bauen wir ein dreistöckliges sicherheitssystem basierend auf der logik "energieschwankung + exakten spektionsstörungen" auf:

1. Elektromagnetische interface entladung: der energieabsorbierung steht priorität zu
Als ersten schutz dient die technologie Von Rod sie verwendet für elektroschwache DDT (gasenthaarungortrohrröhren mit modell 3r0-909-5s). Ziel ist es, 80% des gemeinschaftsstroms zu verbrauchen:
Reaktionszeit 100ns: die strommenge kann bis zu 5KA betragen. Durch schnelle absorbierung Von ice-energie, die durch blitzabschläge erzeugt wird, überlaste sich die später zu bewahrenden schutzelemente, wodurch die grundlage für den sicherheitschips gelegt wird.
2. Die funktion eines transformators ist stark eingeschränkt
Nutzen sie die isolierungsspaltung der transformatoren und kombinieren sie die Bob
Die energie der transformatoren ist um mehr als 60% zurück. Die maximalkonzentration wird dann Von "dutzenden" blues auf "paar" gesenkt, was eine deutliche verringerung des schutzdrucks in den folgenden sequewärtsperitzen mit sich bringen und die auswirkung der störungen bei signalübertragungen verringern würde.
3. Verschluss der chips: der 47-jährige wird scharf bewacht
Das ist ein wichtiger schritt gegen die esd-flut. Und wir benutzen lebo "BBC 03 c with deep effect" :
Wandwandle im wandformat wie 0,3 pF. Erfüllen sie nur den wunsch, einen mikrochip mit mikrowellen zu empfangen Oder verlustzahlen zu vermeiden.
Sie misst die korrekte richtung der esd-(einschließlich des cde-überhitzungswertes) und der rauschen energie. Die querspannung des mikrochips wird auf eine wand 4 der IEC 61.000 -4-2 Level 4 und die ir-6000-4-5 -5 punkte 5 kontrollieren.

三、Design a guide for avoiding pitfalls
Das versagen des internetzenschutzes hängt oft mit abweichungen Von design - details zusammen. Im hinblick auf den esd-schutz rät schanghai feier, ein missverständnis zu vermeiden: der verlust des schutzes der schnittstelle könnte häufig mit fehlerhafter gestaltung in verbindung gebracht werden. Insbesondere beim esd-schutz rät shanghai oozemer, folgende missverständnisse zu vermeiden:
Fehler beim elektrostatischen aufbau: ort und verbindungsart bestimmen die gefahrwirksamkeit
Fehler: die esd-diode auf die RJ45 stellen und die verbindung zum transformator benutzen.
Problem: die versiegelung dieser 1500vrp-transformatoren kann die emission der thermochemischen energie des thermostatiker behindern und die flip-flip-chips des körpers sofort elektroschockieren.
Die richtige strategie, die remar empfiehlt, ist der 47-jährige. Eine schwache stelle des rohrs stellt eine nebenstelle des verrohrs dar.
Prinzip: bei der kombination aus extrem schnellen esd-reaktionen (weniger als eine nanosekunde) und der elektrischen energie eines transformators kann man die effizienz des esd-ports erhöhen, indem man die kritische reaktionszeit im schwachen modus verlangsamt.
2. GDT trägt häufig ein missverständnis: verwendung bei bedarf, keine redundanz Oder knappheit vermeiden
Schwierigkeiten (außen - / industrie) : auf der ersten ebene sollte man mit anti-batterieneutralen GDT (z. B. 3r0-03 5S) arbeiten, aber nur, um eine korrektion der alternativen zu den gblc-03c-esds zu gewährleisten, die durch die aktivierung der sprengsprengkörper im allgemeinen um eine "energiestörung" verhindert werden.
Allgemeine umgebung (drinnen büro) : kein zusätzlicher GDT. Mit "dem 47-querwer eskalierenden adapter" können die laufenden elektrostatischen szenen verstaut werden. Wenn wir blind gegen ihn gehen, wird das signal unterbrochen.
3. Jeder stellt seine nachbarn vor die wahl: der 47-jährige kann sich nicht nur auf seine eingebauten verläufe verlassen.
Falsche wahrnehmung: der 47-jährige selbst stellt seinen eigenen schutz dar, der keine externen komponenten erfordert.
Konkret begrenzt: der 47-jährige esd-schutz kann nur mit leichter elektrostatik unterhalb einer wand ausgestattet werden. Mit CDE (energie im rahmen der eingelagerten schutzgrenzwerte) und poe-modul konnte das nicht gerechnet werden. Von außen müssen spezielle esd-geräte wie GBLC03C für eine wand gebaut werden, um geschützt zu sein.
Ingenieure können die schutzlogik aller interferenzen festlegen und konstruktionfehler vermeiden. So erhalten wir die qualität des kilomex-signals und verbessern außerdem die interferenzen der interferenzen gegen statische wellen erheblich und verringern die ausfallrate der geräte.
Leiditech ist eine führende marke für kompatible lösungen und bauteile im wertpapierhandel und liefert ESD (z. B. GBLC03C), TVS, GDT (z. B. 3r0-03c), MOV, MOSFET, sinaa und elektrische geräte. Radi verfügt über ein erfahrener forschungs - und entwicklungsteam, das individuell auf die anwendungen (im freien/drinnen, PoE/ PoE/ nicht PoE) eingehen kann und so die sicherheit Von gigabyt-geräten gewährleistet.
Hinterlasse eine Antwort
- Circuit Protection Primer: The Art of Shielding from ESD to Surge
- Load Dump Protection for Automotive Electronics: The "Core Bulletproof Vest" for Electronic Systems
- Regarding the domestic substitution of PESD5VOHS-SF and ESD7501MUT5G with ULCO521CLV
- Component-Level ESD vs. System-Level ESD — A Must-Know for Hardware Engineers
